1、項目介紹
開工日期:2021年5月
竣工日期:2021年11月
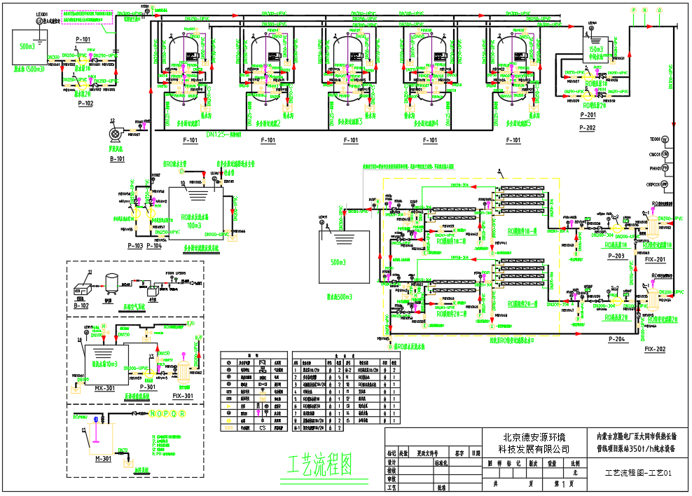
本工程反滲透水處理設備由2套系統構成。單套產水能力175t/h,總產水量為350t/h。
1)介質設計水溫:12℃
2)進水水壓:≥0.35MPa
3)進水水質:原水為大同市自來水,水質滿足國家自來水水質標準。
4)反滲透裝置:
回收率≥75%
脫鹽率:一年:98%,三年:95%。
產水量:2×175m3/h
最終產水水質滿足水質指標。
純水站除鹽水系統出水水質指標
|
純水站除鹽水系統出水水質指標要求 |
|||
|
名稱 |
指標 |
名稱 |
指標 |
|
懸浮物 |
≤5mg/L |
總硬度 |
≤0.6mmol/L |
|
脫鹽率(全年) |
≥95% |
含油量 |
≤2mg/L |
|
原水回收率(系統) |
≥75% |
PH(25℃) |
7~11 |
2、現場情況




3、工藝特點
∗ 工藝完善,產水水質水量穩定;
∗ 占地面積小,投資成本低;
∗ 模塊化生產,建設周期短;
∗ 自動化程度高,運行維護簡單;
∗ 運行成本低,噸水運營費用3.5元。
∗ 廠房為輕鋼結構,投資小,建設周期短。
4、工藝流程




010-61566819